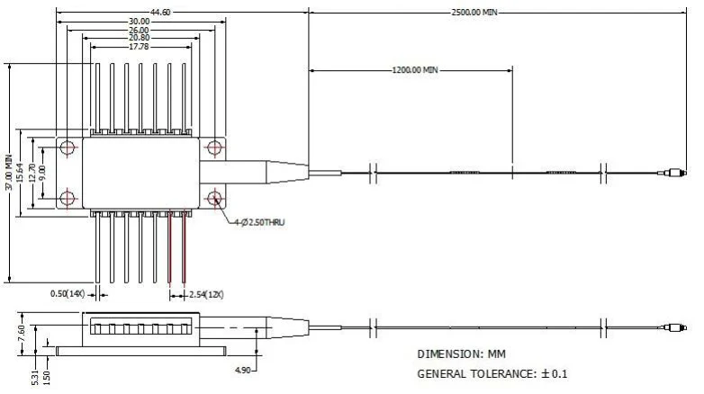
Ласерски модул велике снаге 1653,7 нм користи равну конструкцију са чипом на подносачу. Високо струјни чип је херметички затворен у лептир пакету са 14 пинова без епоксида и флукса и опремљен је термистор, термоелектрични хладњак и монитор диода за осигурање високог квалитета ласерских перформанси. 1653нм 40мВ БТФ ласерска диода за детекцију гаса метана је квалификована Телцордиа ГР-468 иу складу са РоХС директивама.
Ласерски модул велике снаге 1653,7 нм користи равну конструкцију са чипом на подносачу. Чип велике снаге је херметички затворен у 14-пински лептир пакет без епоксида и флукса и опремљен је термистором, термоелектричним хладњаком и монитор диодом како би се обезбедио висококвалитетни ласерски учинак. Наши ласерски производи су квалификовани Телцордиа ГР-468 иу складу су са РоХС директивама.
● Индустријски стандардни 14-пински лептир пакет;
● Уграђени ТЕЦ и оптички изолатор;
● Ласер са дистрибуираном повратном спрегом (ДФБ) високих перформанси са вишеквантним бунаром (МКВ).
● Испитивање производње пасивних компоненти за детекцију гасова;
● Систем детекције гаса са влакнима;
● Ласерски извори.
| Параметар | Симбол | Стање | Мин. | Тип. | Макс. | Јединица |
| Централна таласна дужина | лц | Тл = 15 ~ 35 ℃ ку | 1652.7 | 1653.7 | 1654.7 | нм |
| Оптичка излазна снага | После | ЦВ | - | 40 | - | мВ |
| ЛД Праг струје | ИТХ | ЦВ | - | 15 | 40 | мА |
| ЛД Предња струја | Ако | Пф = називна снага | - | 300 | 400 | мА |
| Оптичка изолација | - | -10 < ТЦ < +70℃ | 30 | - | - | дБ |
| Однос потискивања бочног режима | СМСР | ЦВ | 35 | 40 | - | дБ |
| Пратите одзивност | Вакцинација | - | - | 1 | 20 | био / мв |
| Пратите стабилност одзива | - | - | - | - | 20% | - |
| Монитор тамне струје | Ид | ВПД =5В | - | - | 50 | нА |
| ТЕЦ Цуррент | ИТЕЦ | Тцасе =75℃ | - | - | 2 | A |
| ТЕЦ Волтаге | ВТЕЦ | Тцасе =75℃ | - | - | 3.5 | V |
| ТЕЦ потрошња енергије | P | Тстг =25℃ | - | - | 5 | W |
| Тхермистор Ресистанце | Ртх | Тцасе =75℃ | 9.5 | 10 | 10.5 | Кохм |
| Константа термистора Б | Бтх | Тстг =25℃ | - | 3900 | - | K |
| Померање таласне дужине (ЕОЛ) | △λ | Тестирано током 25-годишњег века трајања | - | - | ±0.1 | нм |
| Ваве. Температурни коефицијент | Дл/Дт | ТЕЦ температура на 15℃ до 35℃ | - | 0.09 | - | нм/℃ |
| Таласна дужина Коефицијент струје | Дл/ДИ | - | - | 0.01 | - | НМ / ин |

Сви производи су тестирани пре слања;
Сви производи имају 1 годину гаранције. (Након што је период гаранције квалитета почео да наплаћује одговарајућу накнаду за услугу одржавања.)
Ценимо ваше пословање и нудимо тренутну политику враћања у року од 7 дана. (7 дана након пријема предмета);
Ако артикли које купујете у нашој продавници нису савршеног квалитета, односно не раде електронски према спецификацијама произвођача, једноставно их вратите нама на замену или повраћај новца;
Ако су артикли неисправни, обавестите нас у року од 3 дана од испоруке;
Све ставке морају бити враћене у оригиналном стању да би се квалификовале за повраћај или замену;
Купац је одговоран за све настале трошкове испоруке.
П: Која је тачност таласне дужине?
А: +/-0,5 нм.
П: Да ли имате друге верзије излазне снаге?
А: 10мВ, 15мВ, 50мВ.
Интегрисани подесиви ласерски склоп уске ширине Ц-опсега ИТЛА
1550нм 40мВ 200Кхз ДФБ лептир ласерска диода уске линије
1550нм 40мВ 600Кхз ДФБ лептир пакет Ласерска диода уске линије
1550нм 50мВ 100Кхз ДФБ лептир ласерска диода уске линије
1550нм 2мВ 5мВ коаксијална ласерска диода уске линије
1550НМ 100МВ 100КХз уска линија ДФБ Ласерска диода БТФ са СМ / ПМ влакнимаЦопиригхт @ 2020 Схензхен Бок ОПТРОНИЦС Тецхнологи Цо, Лтд. - Кина оптички модули влакних влакана, влакнасти ласерски произвођачи, ласерски компонементи добављачи Сва права задржана.