1653нм 40мВ ДФБ ласерска диода за метан сензор ЦХ4 Сенсинг користи планарну конструкцију са чипом на подносачу. Чип велике снаге је херметички затворен у 14-пински лептир пакет без епоксида и флукса и опремљен је термистором, термоелектричним хладњаком и монитор диодом како би се обезбедио висок квалитет ласерских перформанси. Наши ласерски производи су квалификовани Телцордиа ГР-468 иу складу су са РоХС директивама.
1653нм 40мВ ДФБ ласерска диода за метан сензор ЦХ4 Сенсинг користи планарну конструкцију са чипом на подносачу. Чип велике снаге је херметички затворен у 14-пински лептир пакет без епоксида и флукса и опремљен је термистором, термоелектричним хладњаком и монитор диодом како би се обезбедио висок квалитет ласерских перформанси. Наши ласерски производи су квалификовани Телцордиа ГР-468 иу складу су са РоХС директивама.
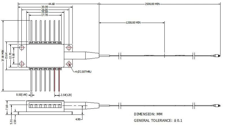
Индустријски стандардни 14-пински лептир пакет;
Уграђени ТЕЦ и оптички изолатор;
Ласер са дистрибуираном повратном спрегом (ДФБ) високих перформанси са вишеквантним бунаром (МКВ).
Испитивање производње пасивних компоненти за детекцију гасова;
Систем детекције гаса са влакнима;
Ласерски извори.
| Параметар | Симбол | Стање | Мин. | Тип. | Макс. | Јединица |
| Централна таласна дужина | λц | ТЛ=15~35℃ ЦВ | 1652.7 | 1653.7 | 1654.7 | нм |
| Оптичка излазна снага | По | ЦВ | - | 40 | - | мВ |
| ЛД Праг струје | ИТХ | ЦВ | - | 15 | 40 | мА |
| ЛД Предња струја | Ако | Пф = називна снага | - | 300 | 400 | мА |
| Оптичка изолација | - | -10 < ТЦ < +70℃ | 30 | - | - | дБ |
| Однос потискивања бочног режима | СМСР | ЦВ | 35 | 40 | - | дБ |
| Пратите одзивност | Им /Пф | - | - | 1 | 20 | уА/мВ |
| Пратите стабилност одзива | - | - | - | - | 20% | - |
| Монитор тамне струје | Ид | ВПД =5В | - | - | 50 | нА |
| ТЕЦ Цуррент | ИТЕЦ | Тцасе =75℃ | - | - | 2 | A |
| ТЕЦ Волтаге | ВТЕЦ | Тцасе =75℃ | - | - | 3.5 | V |
| ТЕЦ потрошња енергије | P | Тстг =25℃ | - | - | 5 | W |
| Тхермистор Ресистанце | Ртх | Тцасе =75℃ | 9.5 | 10 | 10.5 | Кохм |
| Константа термистора Б | Бтх | Тстг =25℃ | - | 3900 | - | K |
| Померање таласне дужине (ЕОЛ) | △λ | Тестирано током 25-годишњег века трајања | - | - | ±0.1 | нм |
| Ваве. Температурни коефицијент | Δλ/ΔТ | ТЕЦ температура на 15℃ до 35℃ | - | 0.09 | - | нм/℃ |
| Таласна дужина Коефицијент струје | Δλ/ΔΙ | - | - | 0.01 | - | нм/мА |

Сви производи су тестирани пре слања;
Сви производи имају 1-3 године гаранције. (Након што је период гаранције квалитета почео да се наплаћује одговарајућа накнада за услугу одржавања.)
Ценимо ваше пословање и нудимо тренутну политику поврата од 7 дана. (7 дана након пријема предмета);
Ако артикли које купујете у нашој продавници нису савршеног квалитета, односно не раде електронски према спецификацијама произвођача, једноставно их вратите нама на замену или повраћај новца;
Ако су артикли неисправни, обавестите нас у року од 3 дана од испоруке;
Све ставке морају бити враћене у оригиналном стању да би се квалификовале за повраћај или замену;
Купац је одговоран за све настале трошкове испоруке.
П: Која је тачност таласне дужине?
А: +/-0,5 нм.
П: Да ли имате друге верзије излазне снаге?
А: 10мВ, 15мВ, 50мВ.
1512нм 10мВ ДФБ 14ПИН лептир ласер за детекцију НХ3
1392нм ДФБ лептир ласерска диода за детекцију влаге Х2О
1653нм ДФБ лептир ласерска диода за детекцију ЦХ4
1567нм ДФБ лептир ласерска диода за детекцију ЦО
1578нм 10мВ ДФБ ласерска диода за детекцију водоник-сулфида
1580нм ДФБ лептир ласерска диода за детекцију ЦО2Ауторско право @ 2020 Схензхен Бок Оптроницс Тецхнологи Цо., Лтд. - Кинески оптички модули, произвођачи ласера са спојеним влакнима, добављачи ласерских компоненти Сва права задржана.